6502

If you are looking for 6502 you've come to the right place. We have 28 images about 6502 including images, pictures, photos, wallpapers, and more. In these page, we also have variety of images available. Such as png, jpg, animated gifs, pic art, logo, black and white, transparent, etc.

instruction set blind quiz  cyanne

Not only 6502, you could also find another pics such as Instruction Set, Logic Diagram, U.S. Army, Breadboard Computer, CPU Architecture, Single Board Computer, Stack Pointer, Apple II, Block Diagram, Memory-Map, Video Card, Internal Components, Operating System, Simulator Logo, Assembly Code, CPU PCB, Processor Die, IC, Code, Design, Kit, Registers, and Model.

790×287 from 6502.co.uk
microprocessor 2132×2639 microprocessor from 6502.nl
calculator adam licavoli 2500×1875 calculator adam licavoli from www.adamlicavoli.com
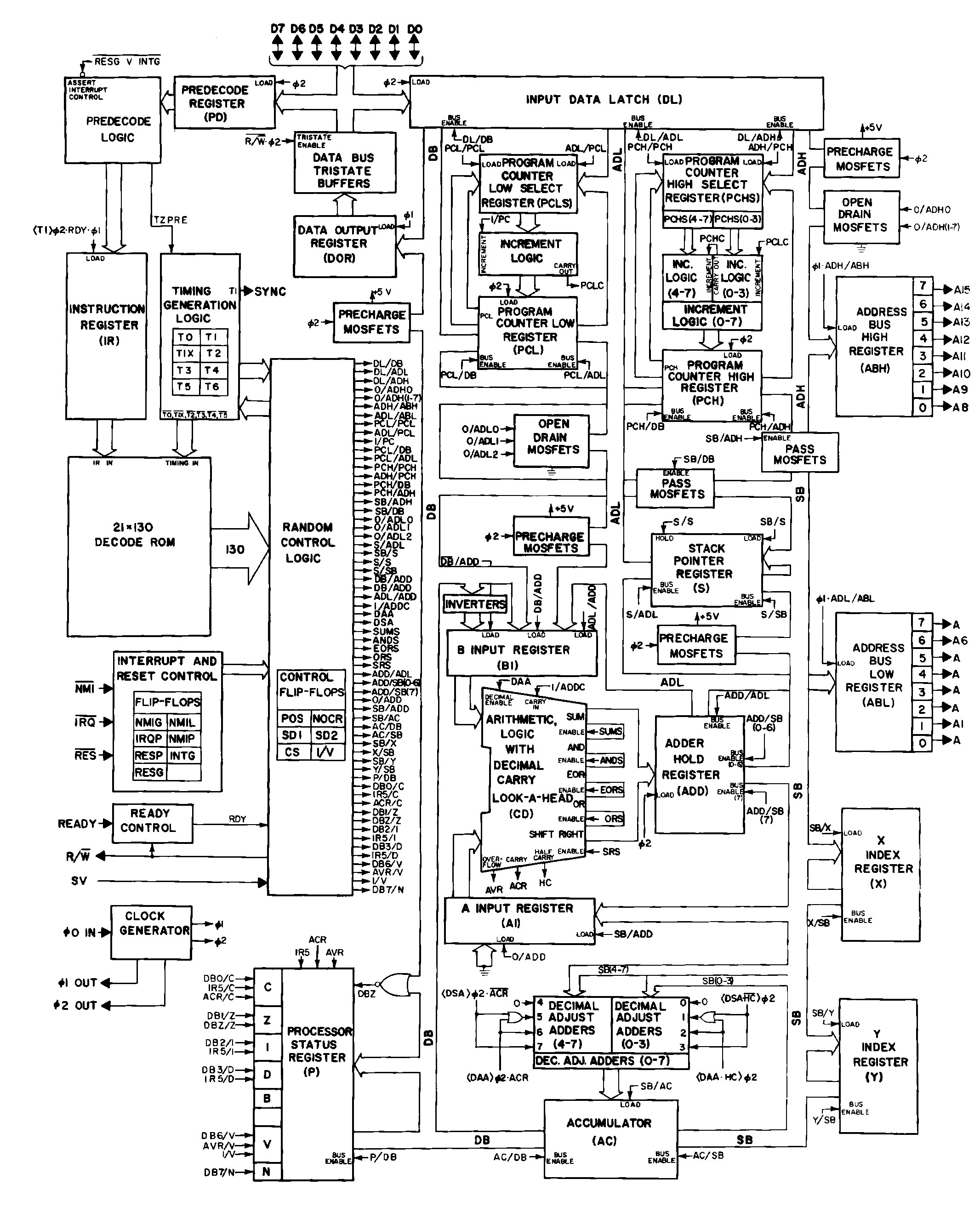
computer 1200×581 computer from www.fonteles.dev
build    microprocessor kit 879×888 build microprocessor kit from kswichit.net
build   based computer 600×539 build based computer from 6502.co.uk
build   computer 3788×2064 build computer from eater.net
sizecoding 600×338 sizecoding from www.sizecoding.org
schematic 600×1164 schematic from stewart-switch.com
art pixels 331×400 art pixels from pixels.com
abnielsencom 990×450 abnielsencom from abnielsen.com
introduction 90×67 introduction from www.nesdev.org
mos technology  wikipedia   wwwelevatein 1365×610 mos technology wikipedia wwwelevatein from www.elevate.in
simulator ide   basic compiler assembler disassembler 1257×728 simulator ide basic compiler assembler disassembler from www.oshonsoft.com
explore  comprehensive  datasheet   electronic projects 1024×640 explore comprehensive datasheet electronic projects from autoctrls.com
hackaday 600×337 hackaday from hackaday.com
cdot wiki 726×456 cdot wiki from wiki.cdot.senecapolytechnic.ca
programmers reference retro game coders 1200×900 programmers reference retro game coders from retrogamecoders.com
cpu pinout 5312×2988 cpu pinout from mavink.com
mos  pinout 1800×1090 mos pinout from mavink.com
cpu pinout vrogueco 1000×1102 cpu pinout vrogueco from www.vrogue.co
instruction set blind quiz  cyanne 1200×630 instruction set blind quiz cyanne from www.sporcle.com
freeware portable  processor ide  windows 200×90 freeware portable processor ide windows from www.heinpragt-software.com
companion hackadayio 2480×1004 companion hackadayio from hackaday.io
chip identification 640×480 chip identification from mirrors.arcadecontrols.com
education  western design center 1024×585 education western design center from wdc65xx.com
microprocessors mpu jameco electronics 400×400 microprocessors mpu jameco electronics from www.jameco.com
simple  land boards wiki 720×623 simple land boards wiki from land-boards.com

Don't forget to bookmark 6502 using Ctrl + D (PC) or Command + D (macos). If you are using mobile phone, you could also use menu drawer from browser. Whether it's Windows, Mac, iOs or Android, you will be able to download the images using download button.

Search Results for: 6502

Maaf, tidak ada yang cocok pencarian Anda. Silahkan coba lagi dengan kata kunci yang berbeda.