Rf Amplifier Ic

If you are looking for Rf Amplifier Ic you've come to the right place. We have 30 images about Rf Amplifier Ic including images, pictures, photos, wallpapers, and more. In these page, we also have variety of images available. Such as png, jpg, animated gifs, pic art, logo, black and white, transparent, etc.

gan rf power amplifier  band  ghz rf amplifier ic  sale china

Not only Rf Amplifier Ic, you could also find another pics such as iPhone 6, Circuit Design, Vivo Y12, Samsung A3, Samsung A10, Samsung A11, Oppo F11, Redmi 5 Plus, Redmi Note 3, Oppo a53s, Layout Design, Mobile Phone, Jenis, iPhone 7, NXP, Symbols, MMW, Packaging, 1.0GHz, Receiver, Wireless, Die, Sdr675, and Switches.

rf amplifier  amplifier signal processing 768×1024 rf amplifier amplifier signal processing from www.scribd.com
rf amplifiers  sold  hot cakes category 600×315 rf amplifiers sold hot cakes category from www.elecbee.com
pcb electronics manufacturer       rf 737×442 pcb electronics manufacturer rf from www.jarnistech.com
rf amplifier analog rfwireless asic  module design development 760×299 rf amplifier analog rfwireless asic module design development from www.signalpro.biz
complete guide  rf amplifier working application  manufacturing 474×284 complete guide rf amplifier working application manufacturing from www.pcbaaa.com
rf power amplifier ic 320×201 rf power amplifier ic from ampcircuitschematic.blogspot.com
rf amplifier working circuit diagram  advantages 696×430 rf amplifier working circuit diagram advantages from easyelectronics.co.in
rf power amplifier images stock   objects vectors 1500×1101 rf power amplifier images stock objects vectors from www.shutterstock.com
rf amplifier manufacturer rayming pcb 1000×631 rf amplifier manufacturer rayming pcb from www.raypcb.com
rf power amplifier   price  moradabad  apc technologies id 1000×1000 rf power amplifier price moradabad apc technologies id from www.indiamart.com
radio rf amplifier circuits projects electroschematics 768×558 radio rf amplifier circuits projects electroschematics from www.electroschematics.com
balanced rf power amplifier fanshuang technology 640×640 balanced rf power amplifier fanshuang technology from www.fanshuangtech.com
important rf amplifier specifications  news god 1379×1231 important rf amplifier specifications news god from thenewsgod.com
rf power amplifier  china manufacturer fanshuang technology 650×650 rf power amplifier china manufacturer fanshuang technology from www.fanshuangtech.com
electronics inventor rf amplifier kit  dc  vdc mhz  mhz 1000×750 electronics inventor rf amplifier kit dc vdc mhz mhz from www.indiamart.com
rf power amplifier  mhz rf power amplifier  hf fm transmitter 720×720 rf power amplifier mhz rf power amplifier hf fm transmitter from www.lazada.com.my
gan rf power amplifier  band  ghz rf amplifier ic  sale china 620×620 gan rf power amplifier band ghz rf amplifier ic sale china from www.made-in-china.com
circuit analysis critical approach  rf amplifier electrical 979×602 circuit analysis critical approach rf amplifier electrical from electronics.stackexchange.com
buy rf amplifier  mhz rf wideband amplifier gain db  noise 1001×1001 buy rf amplifier mhz rf wideband amplifier gain db noise from www.desertcart.com.kw
universal rf amplifier hackaday 800×250 universal rf amplifier hackaday from hackaday.com
rf amplifier  preselector circuits artofit 612×359 rf amplifier preselector circuits artofit from www.artofit.org
papers introduce imfet ic  discrete rf amplifiers 474×370 papers introduce imfet ic discrete rf amplifiers from www.shunlongwei.com
rf amplifier   ghz  watt gan ic ic chip  ic 650×603 rf amplifier ghz watt gan ic ic chip ic from njswt88.en.made-in-china.com
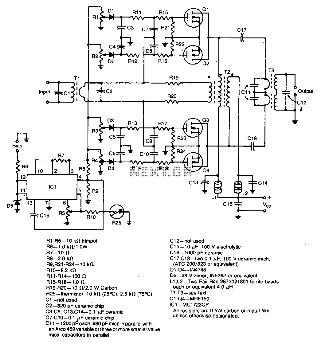
rf power amplifier  rf amplifier circuits  nextgr 1045×1120 rf power amplifier rf amplifier circuits nextgr from www.next.gr
hmcalpetr analog rfif ve rfid  komponentcom 400×400 hmcalpetr analog rfif ve rfid komponentcom from www.e-komponent.com
rf amplifier 2817×1308 rf amplifier from all-audio.pro
integrated circuit rf amplifier 1261×637 integrated circuit rf amplifier from all-audio.pro
mhz  fm high frequency rf amplifier launch power amplifier module 1000×1000 mhz fm high frequency rf amplifier launch power amplifier module from www.banggood.com
scheme  rf amplifier circuit digikey 1328×608 scheme rf amplifier circuit digikey from www.digikey.ca
rf amplifier designs 400×415 rf amplifier designs from all-audio.pro

Don't forget to bookmark Rf Amplifier Ic using Ctrl + D (PC) or Command + D (macos). If you are using mobile phone, you could also use menu drawer from browser. Whether it's Windows, Mac, iOs or Android, you will be able to download the images using download button.

Search Results for: Rf Amplifier Ic

Maaf, tidak ada yang cocok pencarian Anda. Silahkan coba lagi dengan kata kunci yang berbeda.